>┊
首页 | 最新需求 | 最新现货 | IC库存 | 供应商 | IC英文资料库 | IC中文资料库 | IC价格 | 电路图 | 应用资料 | 技术资料
 IC型号: 
您现在的位置:首页 >  IC英文资料库 进入手机版 
 
资料编号:387197
 
资料名称:HSP50210JI-52
 
文件大小: 326.89K
   
说明
 
介绍:
Digital Costas Loop
 
 


: 点此下载
 
1
浏览型号HSP50210JI-52的Datasheet PDF文件第2页
2
浏览型号HSP50210JI-52的Datasheet PDF文件第3页
3
浏览型号HSP50210JI-52的Datasheet PDF文件第4页
4
浏览型号HSP50210JI-52的Datasheet PDF文件第5页
5
浏览型号HSP50210JI-52的Datasheet PDF文件第6页
6
浏览型号HSP50210JI-52的Datasheet PDF文件第7页
7
浏览型号HSP50210JI-52的Datasheet PDF文件第8页
8
浏览型号HSP50210JI-52的Datasheet PDF文件第9页
9
 
本平台电子爱好着纯手工中文简译:截至2020/5/17日,支持英文词汇500个
3-253
HSP50210
数字 costas 回路
这 数字 costas 回路 (dcl) 执行 许多 的 这
基带 加工 任务 必填项 用于 解调
bpsk, qpsk, 8-psk, oqpsk, fsk, 上午 和 调频
波形. 这些 任务 包括 匹配 filtering, 承运人
间距, 符号 同步, agc, 和 软 决定
slicing. 这 dcl 是 设计 用于 使用 与 这 hsp50110
数字 正交 调谐器 至 提供 一个 两个 芯片 解决方案 用于
数字 向下 换算 和 解调.
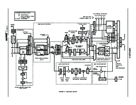
这 dcl 流程 这 同相 (我) 和 正交 (q)
组件 一个 基带 信号 哪个 数字化
至 10 比特. 作为 显示 入点 这 块 图表, 这 主 信号
路径 由 的 一个 复杂 乘数, 可选择 匹配
filters, 增益 乘法器, 笛卡尔到极坐标 变频器,
决定 切片机. 这 复杂 乘数 混合物 这 我 和 q
输入 与 这 输出 的 一个 正交 nco. 以下内容 这
混合 功能, 可选择 匹配 filters 是 提供 哪个
执行 集成 和 转储 或 根 凸起 cosine filtering
(
α
~ 0.40). 这 匹配 filter 输出 是 已布线 至 这 切片机,
哪个 生成 3-有点 决定, cartesian-至-
极地 变频器, 哪个 生成 这 震级 和 相位
条款 必填项 由 这 agc 和 承运人 间距 循环.
这 pll 系统 解决方案 是 已完成 由 这 hsp50210
错误 探测器 和 第二 订单 回路 过滤器 那 提供
承运人 间距 和 符号 同步 信号. 入点
应用程序 在哪里 这 dcl 是 已使用 与 这 hsp50110,
这些 控制 循环 是 已关闭 通过 一个 串行 接口
之间 这 两个 零件. 至 维护 这 解调器
业绩 变化 信号 电源 snr, 一个 内部
agc 回路 是 提供 至 建立 一个 最优 信号 水平 在
输入 切片机 笛卡尔到极坐标 变频器.
特点
时钟 费率 向上 至 52mhz
可选择 匹配 过滤 与 根 凸起 cosine 或
集成 和 转储 过滤器
第二 订单 承运人 和 符号 间距 回路
过滤器
自动 增益 控制 (agc)
鉴别器 用于 调频/fsk 检测 和 鉴别器
aided 收购
扫掠 收购 与 可编程 限制
锁 检测器
数据 质量 和 信号 水平 测量
cartesian 至 极地 变频器
8-有点 微处理器 控制 - 状态 接口
设计 至 工作 与 这 hsp50110 数字
正交 调谐器
84 铅 plcc
应用程序
卫星 接收器 和 调制解调器
bpsk, qpsk, 8-psk, oqpsk, fsk, 上午 和 调频
解调器
数字 承运人 间距
相关 产品: hsp50110 数字 正交 调谐器,
d/一个 转换器 hi5721, hi5731, hi5741
hsp50110/210eval 数字 demod 评价 板
块 图表
数据 路径 多路复用器
过滤器
控制
接口
状态
10
13
轨道
控制
出点(9-0)
出点(9-0)
总线
轨道
控制
rrc
转储
集成/
回路
过滤器
震级
相位
q
10
8
8
承运人 acq/trk
回路 过滤器
符号
q
水平
检测
嗨/lo
切片机
CARTESIAN
极地
过滤器
rrc
转储
集成/
NCO
水平
检测
cos
10
10
承运人
控制/
间距
3
3
8
8
检测
SERCLK
(cof)
(sof)
一个
B
SMBLCLK
脱粒
LKINT
OEA
OEB
符号
我 ser 或
入点
(9-0)
承运人 相位
错误 检测
回路 过滤器
符号
相位
检测
错误
或 clk
q ser 或
q
入点
(9-0)
数据 工作表 january 1999 文件 号码
3652.4
注意事项: 这些 设备 是 敏感 至 静电 放电; 跟着 适当的 集成电路 搬运 程序.
http://www.intersil.com 或 407-727-9207
|
版权
©
intersil 公司 1999
资料评论区:
点击回复标题作者最后回复时间

标 题:
内 容:
用户名:
手机号:    (*未登录用户需填写手机号,手机号不公开,可用于网站积分.)
      
关于我们 | 联系我们
电    话13410210660             QQ : 84325569   点击这里与集成电路资料查询网联系
联系方式: E-mail:CaiZH01@163.com